|
|
| Autor |
Nachricht |
Thore 990 R  Sponsor
Anmeldungsdatum: 11.11.2013 Beiträge insgesamt: 82 KTM LC8 Adv 990 R, 2010 → 26.000 km
|
Verfasst am : Do, 14. Apr 2016, 6:17 Titel: Masse am Geweihträger / Cockpit |
|
|
Moin Gemeinde!
Ich tüftel gerade immer noch mit meinen Zusatzscheinwerfern rum.
Funktionierte auch alles soweit bis gestern Abend.
Masse habe ich mir für die Scheinwerfer zur Zeit vom Geweihträger geholt.
Wollte gestern noch ein Schrittschaltrelais (Stromstoßrelais) mit einbauen und habe seit dem keine volle Spannung mehr über den Masse Anschluss.
Nun habe ich das Relais erst mal wieder ausgebaut, Problem bleibt aber.
Zwischen + (geholt von der Bordsteckdose vom ACC1) und Masse am Geweih habe ich jetzt nur noch zwischen 3 und 5 Volt.
Batterie + zum Rahmen gibt volle Spannung.
Anscheinend funktioniert sonst auch alles; Moped springt an, Beleuchtung etc.
Weiß jemand was da sein kann?
_________________ DAMIT ODER DARAUF  |
|
| Nach oben |
|
hakim Hinterradspezi Anmeldungsdatum: 12.09.2013 Beiträge insgesamt: 1670 KTM 1290 SuperAdventure, 2016 → 75.000 km
|
Verfasst am : Do, 14. Apr 2016, 7:52 Titel: |
|
|
Hallo,
eigentlich hast Du es gerade selbst herausgefunden: das "Geweih" ist als Masse nicht vorgesehen. Alle Elektrik/Elektronik, die vorne verbaut ist, bekommt Masse über den Hauptkabelbaum vom Hauptrahmen (braune Leitungen). Wenn Plus von ACC1 ausreicht für die Versorgung der Zusatzscheinwerfer, dann kannst Du auch Masse von ACC1 abnehmen.
Hakim
|
|
| Nach oben |
|
Thore 990 R  Sponsor
Anmeldungsdatum: 11.11.2013 Beiträge insgesamt: 82 KTM LC8 Adv 990 R, 2010 → 26.000 km
|
Verfasst am : Do, 14. Apr 2016, 8:01 Titel: |
|
|
Danke für die Info,
hatte nur Angst das ich unbewusst einen Fehler eingebaut habe, der mich später wieder einholt.
Dann weiß ich was zu tun ist
Gruß Thore
_________________ DAMIT ODER DARAUF  |
|
| Nach oben |
|
Thore 990 R  Sponsor
Anmeldungsdatum: 11.11.2013 Beiträge insgesamt: 82 KTM LC8 Adv 990 R, 2010 → 26.000 km
|
|
| Nach oben |
|
hakim Hinterradspezi Anmeldungsdatum: 12.09.2013 Beiträge insgesamt: 1670 KTM 1290 SuperAdventure, 2016 → 75.000 km
|
Verfasst am : Fr, 15. Apr 2016, 9:28 Titel: |
|
|
Hallo,
kann auf Anhieb keinen Fehler im Schaltplan erkennen. Welche Leistung ziehen Deine Zusatzleuchten? Für welche Leistung ist das Stromstoßrelais ausgelegt? Vielleicht entsteht beim Abfallen (2.Stromstoß) ein Abrißfunken, die Spannungsspitze läßt die ACC2-Sicherung durchbrennen. Möglicherweise trennt das Relais zu langsam. Nur ´ne Idee... Zum Testen einfach mal einen kleineren Verbraucher anstelle der Leuchten, oder nur eine der Leuchten reinhängen.
Hakim
|
|
| Nach oben |
|
Thore 990 R  Sponsor
Anmeldungsdatum: 11.11.2013 Beiträge insgesamt: 82 KTM LC8 Adv 990 R, 2010 → 26.000 km
|
|
| Nach oben |
|
ollo 950  Sponsor
Anmeldungsdatum: 06.07.2004 Beiträge insgesamt: 14772 Alter: 13 KTM LC8 SM 950, 2008 → 26.000 km EXC 450 → 55.000 km
|
Verfasst am : Sa, 16. Apr 2016, 6:08 Titel: |
|
|
Geh doch mal ins Gold Wing Forum .... oder Die GS ler haben doch auch immer Nebel...
_________________ so bin wieder mit V2 950 2003er S+ unterwegs.... |
|
| Nach oben |
|
ktm-pilot  Sponsor
Anmeldungsdatum: 31.03.2003 Beiträge insgesamt: 2182 1. KTM LC8 Adv 1000, 03/05 → 87.000 km 2. 1190 ADVENTURE R → 14.000 km
|
Verfasst am : Sa, 16. Apr 2016, 7:13 Titel: |
|
|
Wenn Du wirklich Licht haben willst musst Du erst einmal eine ordentliche Stromleitung (min. 4mm²) von der Batterie (eventuell + beim Startrelais abgreifen, - z.B. Massepunkt am Motor) zum Ort Deiner Schaltung legen und unten mit einer extra Sicherung versehen. Über diese Leitung eventuell auch den Originalscheinwerfer über Relais versorgen.
Und beim Lichthupenschalterabgriff müsste doch noch einen Diode rein sonst ändern sich Deine Lichtverhältnisse ja auch beim Auf-/Ablenden jedes mal
_________________ Gruß
ktm-pilot
Spassss kost, Reife Sprit und Kupplung
ADV1000 -->89,1KW |
|
| Nach oben |
|
heinz  Sponsor
Anmeldungsdatum: 19.04.2007 Beiträge insgesamt: 1520 Alter: 54 KTM LC8 Adv 950, 2003 → 95.000 km KTM LC8 Adv 990, 2009 → 30.000 km cb 1000 → 130.000 km
|
Verfasst am : Sa, 16. Apr 2016, 7:35 Titel: |
|
|
Servus,
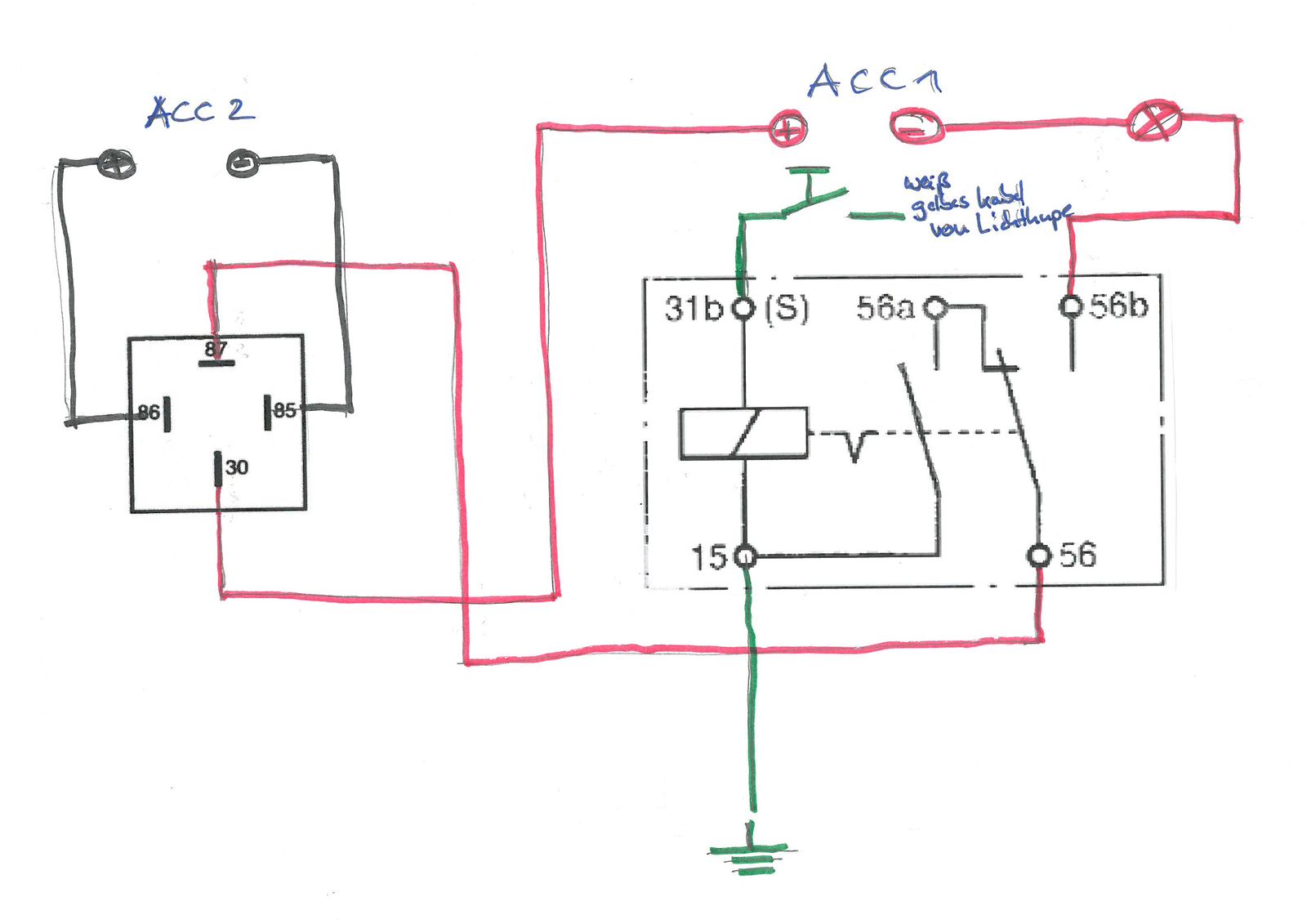
ich vermute das beim ausschalten der Schlieser von 56a noch geschlossen hat wenn der Öffner bereits geschlossen hat, also geht Dein + über den Kontakt 56a und 15 auf Masse.
_________________ Gruß aus dem Allgäu
Heinz
irgendwas isch ja immer  |
|
| Nach oben |
|
ktm-pilot  Sponsor
Anmeldungsdatum: 31.03.2003 Beiträge insgesamt: 2182 1. KTM LC8 Adv 1000, 03/05 → 87.000 km 2. 1190 ADVENTURE R → 14.000 km
|
Verfasst am : Sa, 16. Apr 2016, 10:41 Titel: |
|
|
| heinz @ Sa, 16. Apr 2016, 8:35 hat folgendes geschrieben: | Servus,
ich vermute das beim ausschalten der Schlieser von 56a noch geschlossen hat wenn der Öffner bereits geschlossen hat, also geht Dein + über den Kontakt 56a und 15 auf Masse. |
Na dann einfach Kabel an 56 und 56b tauschen...
_________________ Gruß
ktm-pilot
Spassss kost, Reife Sprit und Kupplung
ADV1000 -->89,1KW |
|
| Nach oben |
|
Thore 990 R  Sponsor
Anmeldungsdatum: 11.11.2013 Beiträge insgesamt: 82 KTM LC8 Adv 990 R, 2010 → 26.000 km
|
|
| Nach oben |
|
ktm-pilot  Sponsor
Anmeldungsdatum: 31.03.2003 Beiträge insgesamt: 2182 1. KTM LC8 Adv 1000, 03/05 → 87.000 km 2. 1190 ADVENTURE R → 14.000 km
|
Verfasst am : Sa, 16. Apr 2016, 10:53 Titel: |
|
|
Na dann ist ja gut... ich würde trotzdem den 56 und 56b tauschen falls das neue Relais auch mal lahm wird
_________________ Gruß
ktm-pilot
Spassss kost, Reife Sprit und Kupplung
ADV1000 -->89,1KW |
|
| Nach oben |
|
heinz  Sponsor
Anmeldungsdatum: 19.04.2007 Beiträge insgesamt: 1520 Alter: 54 KTM LC8 Adv 950, 2003 → 95.000 km KTM LC8 Adv 990, 2009 → 30.000 km cb 1000 → 130.000 km
|
Verfasst am : So, 17. Apr 2016, 11:41 Titel: |
|
|
| ktm-pilot @ Sa, 16. Apr 2016, 11:53 hat folgendes geschrieben: | Na dann ist ja gut... ich würde trotzdem den 56 und 56b tauschen falls das neue Relais auch mal lahm wird  |
Servus,
auf dem Schaltbild des neuen Relais gibt es die Verbindung von 56a und 15 nicht.
_________________ Gruß aus dem Allgäu
Heinz
irgendwas isch ja immer  |
|
| Nach oben |
|
ktm-pilot  Sponsor
Anmeldungsdatum: 31.03.2003 Beiträge insgesamt: 2182 1. KTM LC8 Adv 1000, 03/05 → 87.000 km 2. 1190 ADVENTURE R → 14.000 km
|
Verfasst am : Mi, 20. Apr 2016, 1:31 Titel: |
|
|
| heinz @ So, 17. Apr 2016, 12:41 hat folgendes geschrieben: | | ktm-pilot @ Sa, 16. Apr 2016, 11:53 hat folgendes geschrieben: | Na dann ist ja gut... ich würde trotzdem den 56 und 56b tauschen falls das neue Relais auch mal lahm wird  |
Servus,
auf dem Schaltbild des neuen Relais gibt es die Verbindung von 56a und 15 nicht. |
Stimmt... hatte das Schaltbild gar nicht angeschaut...
Na dann sicherheitshalber 81a auf 15 klemmen
_________________ Gruß
ktm-pilot
Spassss kost, Reife Sprit und Kupplung
ADV1000 -->89,1KW |
|
| Nach oben |
|
Thore 990 R  Sponsor
Anmeldungsdatum: 11.11.2013 Beiträge insgesamt: 82 KTM LC8 Adv 990 R, 2010 → 26.000 km
|
Verfasst am : Mi, 20. Apr 2016, 8:32 Titel: ACHTUNG ACHTUNG |
|
|
Achtung Leute
Nicht nachbauen! Hier ist noch ein Bug versteckt.
Die Schaltung funktioniert nur so lange bis man richtig Aufblendet mit dem Schalter. Dann bekommt die Spule von dem Relais dauerstrom und könnte durchbrennen und das Relais schaltet.
Dies bekommt man nur in den Griff wenn man ein neues Kabel mit + in die Lichthupe verlegt und anstelle des weiß/gelben anlötet. Dann das Grün/schwarze am Stecker im Cockpit abgreifen und zum Relais führen.
Dann ist das ein neuer Tasterkreis rausgelöst aus dem Lichtkreis.
So funktioniert es jedoch hat die Lichthupe keine Funktion mehr.
Gruß Thore
_________________ DAMIT ODER DARAUF  |
|
| Nach oben |
|
|