|
|
| Autor |
Nachricht |
desperados08 LC8 Junkie Anmeldungsdatum: 16.02.2012 Beiträge insgesamt: 369 Keine KTM
|
Verfasst am : Mo, 7. Dez 2015, 1:26 Titel: Wegfahrsperre ausbauen? |
|
|
Hi, gibt es die Möglichkeit, die wegfahrsperre bei den 990 @ auszubauen? Soweit ich weiß, ist es ja ein zusätzliches Modul, dass über einen Empfänger die Zündung freigibt...
Da ich diesen unnötigen elektronikschrott nicht brauche, die Frage ob es schon jemand rausgeschmissen hat? Was muss ich dafür machen?
Danke, mfg
|
|
| Nach oben |
|
HotFire  Sponsor
Anmeldungsdatum: 11.04.2007 Beiträge insgesamt: 3677 Alter: 49 HABE FERTIG
|
Verfasst am : Mo, 7. Dez 2015, 7:14 Titel: |
|
|
Einfach die Brücke wieder rein machen auf PIN 4 & PIN 5 am Stecker C_DJ/18 ! Kannst auch den "dummy plug" bei KTM kaufen oder den passenden Ersatzstecker und da ne Brücke aufcrimpen.
Findest Du unter dem Schminkfach:
| Beschreibung: |
|
| Dateigröße: |
55.04 KB |
| Angeschaut: |
1740 mal |

|
| Beschreibung: |
|
| Dateigröße: |
72.28 KB |
| Angeschaut: |
1658 mal |

|
| Beschreibung: |
|
| Dateigröße: |
42.32 KB |
| Angeschaut: |
1722 mal |

|
_________________
KTM & HUSQVARNA - STAMMTISCH |
|
| Nach oben |
|
desperados08 LC8 Junkie Anmeldungsdatum: 16.02.2012 Beiträge insgesamt: 369 Keine KTM
|
Verfasst am : Mo, 7. Dez 2015, 12:25 Titel: |
|
|
| Ja cool, danke für deine schnelle Antwort! Hast du zufällig eine Teilenummer für diesen dummyplug?
|
|
| Nach oben |
|
hakim Hinterradspezi Anmeldungsdatum: 12.09.2013 Beiträge insgesamt: 1689 KTM 1290 SuperAdventure, 2016 → 77.000 km
|
Verfasst am : Mo, 7. Dez 2015, 16:36 Titel: |
|
|
Hallo,
ging es nun um die auf dem Foto gezeigte Alarmanlage oder die Deaktivierung der serienmäßigen Wegfahrsperre?
Hakim
|
|
| Nach oben |
|
desperados08 LC8 Junkie Anmeldungsdatum: 16.02.2012 Beiträge insgesamt: 369 Keine KTM
|
Verfasst am : Mo, 7. Dez 2015, 16:44 Titel: |
|
|
Also mir ging es um die deaktivierung der serienmäßigen wegfahrsperre mit der ringantenne! Funktioniert dies auch über den Stecker der alarmanlage, oder ist dies noch ein weiteres System?
|
|
| Nach oben |
|
hakim Hinterradspezi Anmeldungsdatum: 12.09.2013 Beiträge insgesamt: 1689 KTM 1290 SuperAdventure, 2016 → 77.000 km
|
Verfasst am : Mo, 7. Dez 2015, 16:57 Titel: |
|
|
Hallo,
ist nur mein Verdacht, daß da ein Mißverständnis vorliegt... Hotfire kann sicher mehr dazu sagen. An mir ist das Thema Wegfahrsperre bislang schadlos vorübergegangen, Alarmanlage sowieso. Aber wenn man die Serienwegfahrsperre meiner ´12er einfach per Brücke deaktivieren könnte, wäre ich so froh wie Du.
Hakim
|
|
| Nach oben |
|
HotFire  Sponsor
Anmeldungsdatum: 11.04.2007 Beiträge insgesamt: 3677 Alter: 49 HABE FERTIG
|
Verfasst am : Mo, 7. Dez 2015, 18:19 Titel: |
|
|
RICHTIG,
sag mal das Baujahr um welches es ging, dann kann ich genaue Angaben machen ! Gibt tatsächlich zwei Systeme RFID Ring mit WFS und Alarm mit Funk WFS - ich war in Gedanken bei nem 2007er Model !
LG Mark
_________________
KTM & HUSQVARNA - STAMMTISCH |
|
| Nach oben |
|
desperados08 LC8 Junkie Anmeldungsdatum: 16.02.2012 Beiträge insgesamt: 369 Keine KTM
|
Verfasst am : Di, 8. Dez 2015, 0:15 Titel: |
|
|
| Bei mir geht es ums bj 2012, also mit dem Sender im Schlüssel und der ringantenne!
|
|
| Nach oben |
|
HotFire  Sponsor
Anmeldungsdatum: 11.04.2007 Beiträge insgesamt: 3677 Alter: 49 HABE FERTIG
|
Verfasst am : Di, 8. Dez 2015, 6:23 Titel: |
|
|
| desperados08 @ Mo, 7. Dez 2015, 23:15 hat folgendes geschrieben: | | Bei mir geht es ums bj 2012, also mit dem Sender im Schlüssel und der ringantenne! |
Dann vergiss mal schnell was ich gesagt habe, diese Technik ist eben so verwoben, das Sie sich nicht mal eben entfernen lässt.
_________________
KTM & HUSQVARNA - STAMMTISCH |
|
| Nach oben |
|
Raseac Fahrschüler Anmeldungsdatum: 23.05.2017 Beiträge insgesamt: 3
|
Verfasst am : Di, 23. Mai 2017, 16:24 Titel: Brücken der wegfahrsperre |
|
|
Hallo zusammen
Ich habe auch das Problem das die datatool meiner SD 07 die Batterie leer zieht und will die Alarmanlage raus schmeissen .
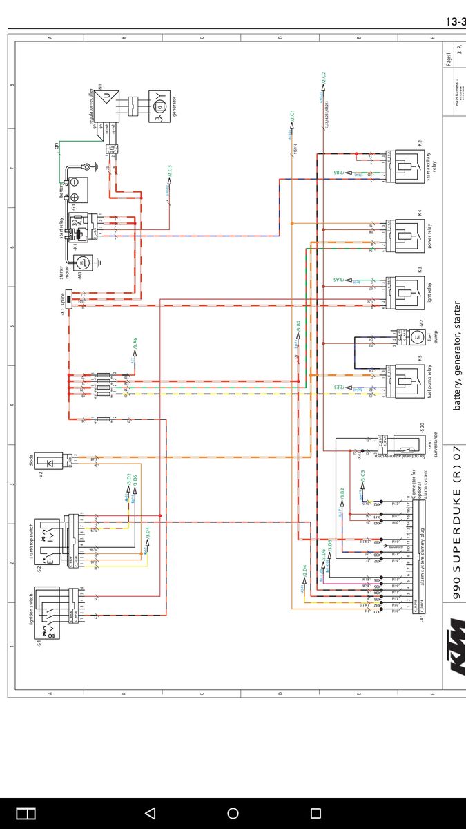
Alles kein Problem bis zum Brücken der Wegfahrsperre ... weiß jemand welche Kabel gebrückt werden müssen ?
Pin 4 u. 5 (wie oben beschrieben) sind start Relais(4) und Blinker links(5) was keinen Sinn ergibt diese zu Brücken, probiert habe ich es trotzdem ohne Erfolg .
Schaltplan der SD 07 hänge ich an vielleicht kann mir ja jemand weiter helfen.
| Beschreibung: |
|
| Dateigröße: |
86.54 KB |
| Angeschaut: |
1628 mal |

|
| Beschreibung: |
|
| Dateigröße: |
86.47 KB |
| Angeschaut: |
1556 mal |

|
|
|
| Nach oben |
|
v2lover  Sponsor Anmeldungsdatum: 16.11.2008 Beiträge insgesamt: 2175
|
Verfasst am : Di, 23. Mai 2017, 16:28 Titel: |
|
|
gibt einen blindstopfen (original) dafür;
ist bei allen die keine aa haben drann;
_________________ the older I get; the better I was
frauen sind die einzige beute die ihrem jäger auflauern
.....und immer sind die anderen die idioten, aber bedenke, selbst ist man auch für jeden der andere !!!! |
|
| Nach oben |
|
PieTT  Sponsor
Anmeldungsdatum: 13.07.2006 Beiträge insgesamt: 2212 KTM LC8 SE 950, 2006 → 90.000 km KTM LC8 1190 R Adventure → 30.000 km EXC 530 450, Yam TT, Honda XR, Maico MC, Suzuki MC → 100.000 km
|
Verfasst am : Di, 23. Mai 2017, 19:34 Titel: |
|
|
Die Hilfe (Antworten) sind echt toll, das ist es, was ein Forum ausmacht. Nur, warum die Wegfahrsperre ausbauen? Klingt, als würde ein Dieb Tipps brauchen. Zum Glück scheinbar kompliziert ..
_________________ Brät PieTT - nimmer am Gas °° °
na ja, fast nimmer  |
|
| Nach oben |
|
Wolfgang.A  Sponsor
Anmeldungsdatum: 31.03.2016 Beiträge insgesamt: 334 Husqvarna Norden 901 → 1.000 km
|
Verfasst am : Di, 23. Mai 2017, 19:39 Titel: |
|
|
| PieTT @ Di, 23. Mai 2017, 19:34 hat folgendes geschrieben: | Die Hilfe (Antworten) sind echt toll, das ist es, was ein Forum ausmacht. Nur, warum die Wegfahrsperre ausbauen? Klingt, als würde ein Dieb Tipps brauchen. Zum Glück scheinbar kompliziert ..  |
Eigentlich will der Threadstarter ja die Alarmanlage ausbauen, weil ihm die zu viel Strom zieht.
Beim Ausbau der Alarmanlage muss die Wegfahrsperrfunktion der Alarmanlage deaktiviert werden.
Das hat nichts mit der Wegfahrsperre die durch den Schlüssel deaktiviert wird zu tun.
_________________ Der Weg ist das Ziel! |
|
| Nach oben |
|
HotFire  Sponsor
Anmeldungsdatum: 11.04.2007 Beiträge insgesamt: 3677 Alter: 49 HABE FERTIG
|
Verfasst am : Di, 23. Mai 2017, 20:52 Titel: |
|
|
hier werden wohl zwei Sachen vermischt Leute:
Der Threadstarter sprach generell von einer 990er ADV BJ. 2012 ob er die WFS oder das Alarmanlagen Trennrelais meinte weiss ich nicht genau.
Der NEUE spricht von einer 990er Super Duke BJ. 2007 (hier mit 10 Minuten Aufwand zu erledigen)
Bei ner 990er ADV BJ. 2007 ist die Sache in 1 Minute erledigt.
SOLLTEN WIR ABER VOM START INTERLOCK SPRECHEN, DANN IST DIE SACHE UM LÄNGEN AUFWÄNDIGER.
_________________
KTM & HUSQVARNA - STAMMTISCH |
|
| Nach oben |
|
desperados08 LC8 Junkie Anmeldungsdatum: 16.02.2012 Beiträge insgesamt: 369 Keine KTM
|
Verfasst am : Di, 23. Mai 2017, 22:47 Titel: |
|
|
Nur mal am Rande, ich hatte ursprünglich das Thema aufgemacht!! Mich 'nervt' jegliches zuviel Elektronik an meinen Fahrzeugen...am liebsten ist mir mein glühkopf lanz deswegen und weil es auf reisen in fernen Ländern eine unbrauchbare Fehlerquelle ist, wollte ich die wegfahrsperre loswerden. (Nix mit Diebstahl - hab ausreichend Geld um mein Motorrad bezahlen zu können!)
Ich bin den Mist mittlerweile los...zwar mit einigem Aufwand (vergaser, kabelbaum von ner 950 SE, neue anderer Tacho/DZM), aber es läuft!
Also nun bitte beim Thema bleiben und dem Burschen mit der SD weiterhelfen! Es gibt doch sicher jemanden mit ner SD ohne AA (wahrscheinlich die meisten)...kann da nicht mal jemand den dongle vom AA Stecker anziehen und Bescheid geben welche Kabel gebrückt sind?
|
|
| Nach oben |
|
|