forum.LC8.info Foren-Übersicht  
FAQFAQ Knowledge BaseKnowledge Base SuchenSuchen KarteKarte KalenderKalender FotoalbumFotoalbum RegistrierenRegistrieren ProfilProfil LoginLogin

Warnblinker, leuchtet Schalter immer?
Gehe zu Seite 1, 2  Weiter
 
Neues Thema eröffnen   Neue Antwort erstellen     forum.LC8.info Foren-Übersicht -> Adv - Allgemeines Beiträge der letzten 24h (nach Forum sortiert)
Vorheriges Thema anzeigen :: Nächstes Thema anzeigen  
Autor Nachricht
PiKaOffline
Speichenputzer
Anmeldungsdatum: 21.07.2012
Beiträge insgesamt: 28
KTM LC8 Adv 990, 2010
 →  45.000 km

BeitragVerfasst am : Mi, 30. Apr 2014, 15:07    Titel: Warnblinker, leuchtet Schalter immer? Antworten mit Zitat

Bei meiner Adventure 990, Bj. 2010 ist mir heute aufgefallen, daß der Schalter für die Warnblinkanlage ständig leuchtet.
Ist dies normal oder ein Fehler ?
Bitte um eure Auskunft.
PiKa
Nach oben
Benutzer-Profile anzeigen 
quirlerOffline
Angstnippelbeschneider
Avatar

Anmeldungsdatum: 04.10.2010
Beiträge insgesamt: 792
KTM LC8 Adv 990, 2010
KTM 450 SMR

BeitragVerfasst am : Mi, 30. Apr 2014, 15:29    Titel: Antworten mit Zitat

Hallo,
beim fahren leuchtet er immer, nach dem Aschalten der Zündung auch noch ein bissl, aber irgendwann wird er dann finster.
lg
Manfred
Nach oben
Benutzer-Profile anzeigen 
LuzyOffline
Asphaltcowboy
Avatar

Anmeldungsdatum: 15.11.2011
Beiträge insgesamt: 55
Wohnort: Egmating
KTM LC8 Adv 990, 2010
 →  40.000 km
Husqvarna 701, 2016
 →  6.000 km

BeitragVerfasst am : Mi, 30. Apr 2014, 17:22    Titel: Warnblinker, leuchtet Schalter immer? Antworten mit Zitat

Yep kann ich bestätigen,
bei meiner weißen ADV 990 Baujahr 2010 siehts so aus:
Bild entstand in der düsteren Garage, beim Normal-Tag-Licht find ich fällt das leuchten kaum auf.



DSCN1112.JPG
 Beschreibung:
 Dateigröße:  287.61 KB
 Angeschaut:  1289 mal

DSCN1112.JPG


Nach oben
Benutzer-Profile anzeigen 
PiKaOffline
Speichenputzer
Anmeldungsdatum: 21.07.2012
Beiträge insgesamt: 28
KTM LC8 Adv 990, 2010
 →  45.000 km

BeitragVerfasst am : Mi, 30. Apr 2014, 19:50    Titel: Antworten mit Zitat

Laut meiner KTM-Werkstätte sollte das Leuchten des Warnblinkers bei ausgeschalteter Zündung angeblich normal sein.

Aber bei der baugleichen Adventure (Bj. 2011, meine ist Bj.2010)
eines Bekannten erlischt das Licht nach einiger Zeit komplett.

Sollte es vom Baujahr abhängig sein?
Bitte nochmals um euren Rat, da ich mich absolut nicht mehr auskenne.

PiKa
Nach oben
Benutzer-Profile anzeigen 
kretabikerOffline
Sponsor
Sponsor
Anmeldungsdatum: 01.09.2008
Beiträge insgesamt: 6067

BeitragVerfasst am : Mi, 30. Apr 2014, 20:04    Titel: Antworten mit Zitat

Was heißt "leuchtet ständig"....während der Fahrt, oder auch wenn schon lange ausgeschaltet ist?
Es soll so sein wie Luzy und quirler schon geschrieben haben........das Lämpchen leuchtet kurz nach "Zündung aus" noch etwas nach (30 sek......die Warnblinke läßt sich in dieser Zeit noch aktivieren, selbst wenn Zündung schon aus ist!) und erlischt dann!



2014-04-30_205617.png
 Beschreibung:

Download
 Dateiname:  2014-04-30_205617.png
 Dateigröße:  158.06 KB
 Heruntergeladen:  1325 mal

Nach oben
Benutzer-Profile anzeigen 
PiKaOffline
Speichenputzer
Anmeldungsdatum: 21.07.2012
Beiträge insgesamt: 28
KTM LC8 Adv 990, 2010
 →  45.000 km

BeitragVerfasst am : Mi, 30. Apr 2014, 20:27    Titel: Antworten mit Zitat

Hallo, der Schalter leuchtet wie gesagt immer,
auch nach Stunden, Tagen usw.

Die Warnblinkanlage läßt sich aber nur ca. 30Sek. Nach Zündung aus aktivieren.

Habe versucht die Batterie ab und danach wieder anzuklemmen.
Dann ist der Schalter erlöscht.

Sobald ich einmal die Zündung einschalte ist das Problem wieder da.

PiKa
Nach oben
Benutzer-Profile anzeigen 
quirlerOffline
Angstnippelbeschneider
Avatar

Anmeldungsdatum: 04.10.2010
Beiträge insgesamt: 792
KTM LC8 Adv 990, 2010
KTM 450 SMR

BeitragVerfasst am : Mi, 30. Apr 2014, 21:20    Titel: Antworten mit Zitat

kann nicht so gehören, saugt ja dann die Bakterie leer wenns immer funzt...
Nach oben
Benutzer-Profile anzeigen 
kretabikerOffline
Sponsor
Sponsor
Anmeldungsdatum: 01.09.2008
Beiträge insgesamt: 6067

BeitragVerfasst am : Mi, 30. Apr 2014, 21:22    Titel: Antworten mit Zitat

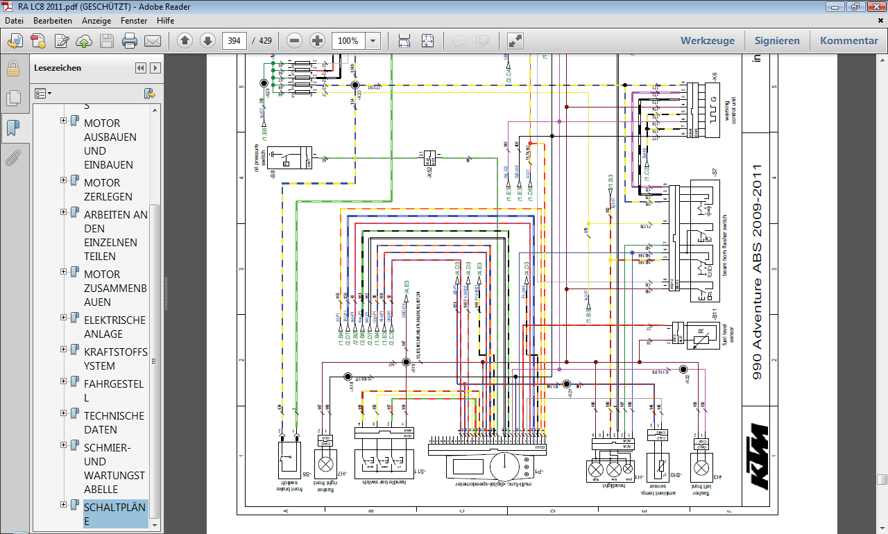
....Tja, dann kann ich nur den Schaltplan in 2 Hälften liefern. Ausdrucken und zusammen setzen....viel Glück!


2014-04-30_221807.png
 Beschreibung:

Download
 Dateiname:  2014-04-30_221807.png
 Dateigröße:  105.99 KB
 Heruntergeladen:  1448 mal


2014-04-30_221821.png
 Beschreibung:

Download
 Dateiname:  2014-04-30_221821.png
 Dateigröße:  117.53 KB
 Heruntergeladen:  1294 mal

Nach oben
Benutzer-Profile anzeigen 
PiKaOffline
Speichenputzer
Anmeldungsdatum: 21.07.2012
Beiträge insgesamt: 28
KTM LC8 Adv 990, 2010
 →  45.000 km

BeitragVerfasst am : Mi, 30. Apr 2014, 21:33    Titel: Antworten mit Zitat

Vorerst danke für eure Antworten,
sollte doch noch jemand eine Lösung meines Problems haben,
wäre ich sehr, sehr dankbar.

PiKa
Nach oben
Benutzer-Profile anzeigen 
hakimOffline
Hinterradspezi
Anmeldungsdatum: 12.09.2013
Beiträge insgesamt: 1690
KTM 1290 SuperAdventure, 2016
 →  77.000 km

BeitragVerfasst am : Do, 1. Mai 2014, 7:52    Titel: Antworten mit Zitat

Hallo,
im Schaltplan siehst Du die "warning control unit". Das ist die Warnblinkeinheit, in welcher alle Blinkerfunktionen zusammengefasst sind. Du siehst von außen nur den Warnblinkschalter, aber darin integriert ist eine elektronische Steuereinheit, die auch als Blinkerrelais fungiert. Ebenso ist diese Abschaltverzögerung dort integriert. Zu reparieren gibt es da nichts, ich denke, Du wirst die Einheit erneuern müssen: "Warnblinkkontrolle" Teilenummer 60211022000 für etwa 87 Euro.
Hakim
Nach oben
Benutzer-Profile anzeigen 
ZweitmotorradOffline
Sponsor
Sponsor
Anmeldungsdatum: 12.03.2010
Beiträge insgesamt: 1659
KTM LC8 Adv 990, 2007
 →  24.000 km
KTM LC8 Adv 1190 R, 2015
 →  2.000 km
GasGas TXT pro 280
 →  2.000 km

BeitragVerfasst am : Do, 1. Mai 2014, 10:13    Titel: Antworten mit Zitat

Lass es leuchten, wenn Die Funktionen sonst i.O. sind.
_________________
Gruß, Zweitmotorrad
Teuer ist, wenn´s mir nicht gefällt.
Nach oben
Benutzer-Profile anzeigen 
kretabikerOffline
Sponsor
Sponsor
Anmeldungsdatum: 01.09.2008
Beiträge insgesamt: 6067

BeitragVerfasst am : Do, 1. Mai 2014, 12:08    Titel: Antworten mit Zitat

Zweitmotorrad @ Do, 1. Mai 2014, 10:13 hat folgendes geschrieben:
Lass es leuchten, wenn Die Funktionen sonst i.O. sind.


Das geht doch auf die Batterie wacko !!!!! Wenn schon die Digi-Uhr die Batterie längerfristig leer saugt, dann kannst du davon ausgehen das die Lampe eine Entladung noch beschleunigt!
Nach oben
Benutzer-Profile anzeigen 
el ce achtlerOffline
Sponsor
Sponsor
Avatar

Anmeldungsdatum: 23.09.2006
Beiträge insgesamt: 812
KTM LC8 Adv 950, 2003
 →  114.000 km

BeitragVerfasst am : Do, 1. Mai 2014, 13:14    Titel: Antworten mit Zitat

LED oder Birnchen?
_________________
... mach, daß es geht! ....
Nach oben
Benutzer-Profile anzeigen 
kretabikerOffline
Sponsor
Sponsor
Anmeldungsdatum: 01.09.2008
Beiträge insgesamt: 6067

BeitragVerfasst am : Do, 1. Mai 2014, 13:26    Titel: Antworten mit Zitat

Hab gerade in der Arbeitsunterweisung und in den Schaltplänen nachgesehen.....ist nicht ersichtlich, zumindest finde ich nichts darüber. Sad

Auf dem Foto von Lucy, oben, sieht es fast so aus, als wären es 3 LEDs........
Nach oben
Benutzer-Profile anzeigen 
el ce achtlerOffline
Sponsor
Sponsor
Avatar

Anmeldungsdatum: 23.09.2006
Beiträge insgesamt: 812
KTM LC8 Adv 950, 2003
 →  114.000 km

BeitragVerfasst am : Do, 1. Mai 2014, 13:39    Titel: Antworten mit Zitat

bin zwar kein Elektronischer, aber dann dürfte das der Batterie nichts machen. Ich würd mir die paarnachtzig EUR sparen und einfach ab und an fahren und gut.
_________________
... mach, daß es geht! ....
Nach oben
Benutzer-Profile anzeigen 
Beiträge der letzten Zeit anzeigen:   
Neues Thema eröffnen   Neue Antwort erstellen    forum.LC8.info Foren-Übersicht -> Adv - Allgemeines Alle Zeiten sind GMT + 1 Stunde
Gehe zu Seite 1, 2  Weiter
Seite 1 von 2

 
Beiträge der letzten 24h (nach Forum sortiert)

Gehe zu:  
Rechte



Powered by phpBB © 2001 - 2005 phpBB Group |  Hosted and administrated by schradtnet_mini.gif | Lösche Cookies von diesem Forum
[ Time: 0.0604s ][ Queries: 28 (0.0300s) ]