|
|
|
|
|
|
| Autor |
Nachricht |
Bruggma  Sponsor
Anmeldungsdatum: 24.03.2003 Beiträge insgesamt: 7566 Aprilia 660 Tuareg → 7.000 km Honda VF 750 SC 1982 → 102.000 km
|
Verfasst am : Fr, 29. Jul 2016, 12:08 Titel: Ausfall Cockpit 2005er 950er |
|
|
Hallo
Ich habe einen Kurzschluss auf der Zuleitung zur Cockpit Sicherung.
Aufgetreten ist es Unterwegs, Tacho weg, Sicherung gewechselt,
Zündung an, Sicherung raus.
Geprüft habe ich:
Alle nachträglichen Einbauten deaktiviert, ACC1 & 2 auf Durchgang
gecheckt, OK Die Kabel auf Sicht in der Lampenmaske. alle Binder gelöst, Kabel auf
Beschädigung und Zug Kabel im Rahmendreieck auf Sicht und Zug geprüft Sicherungssockel auf Wiederstand geprüft (484 mV)
Es muss also an der Zuleitung zur Sicherung liegen
Wo muss/soll ich suchen?
Bitte nur sachdienliche Hinweise
_________________ Peter
www.bbshome.ch |
|
| Nach oben |
|
kretabiker  Sponsor Anmeldungsdatum: 01.09.2008 Beiträge insgesamt: 6067
|
|
| Nach oben |
|
Bruggma  Sponsor
Anmeldungsdatum: 24.03.2003 Beiträge insgesamt: 7566 Aprilia 660 Tuareg → 7.000 km Honda VF 750 SC 1982 → 102.000 km
|
Verfasst am : Fr, 29. Jul 2016, 15:36 Titel: |
|
|
"Ich habe einen Kurzschluss auf der Zuleitung zur Cockpit Sicherung."
_________________ Peter
www.bbshome.ch |
|
| Nach oben |
|
kretabiker  Sponsor Anmeldungsdatum: 01.09.2008 Beiträge insgesamt: 6067
|
Verfasst am : So, 31. Jul 2016, 9:07 Titel: |
|
|
| Bruggma @ Fr, 29. Jul 2016, 15:36 hat folgendes geschrieben: |
"Ich habe einen Kurzschluss auf der Zuleitung zur Cockpit Sicherung." |
.......... ...wo ist die denn, oder besser gefragt, welche Sicherung im Kastl, was sichert die außerdem noch ab?
| Beschreibung: |
|
 Download |
| Dateiname: |
2016-07-31 09_05_01-DisplayPageView.png |
| Dateigröße: |
135.02 KB |
| Heruntergeladen: |
446 mal |
| Beschreibung: |
|
 Download |
| Dateiname: |
2016-07-31 09_06_05-DisplayPageView.png |
| Dateigröße: |
142.3 KB |
| Heruntergeladen: |
398 mal |
| Beschreibung: |
|
 Download |
| Dateiname: |
2016-07-31 09_06_46-DisplayPageView.png |
| Dateigröße: |
126 KB |
| Heruntergeladen: |
407 mal |
| Beschreibung: |
|
 Download |
| Dateiname: |
2016-07-31 09_16_31-DisplayPageView.png |
| Dateigröße: |
78.23 KB |
| Heruntergeladen: |
435 mal |
| Beschreibung: |
|
 Download |
| Dateiname: |
2016-07-31 09_16_58-DisplayPageView.png |
| Dateigröße: |
123.77 KB |
| Heruntergeladen: |
432 mal |
|
|
| Nach oben |
|
Bruggma  Sponsor
Anmeldungsdatum: 24.03.2003 Beiträge insgesamt: 7566 Aprilia 660 Tuareg → 7.000 km Honda VF 750 SC 1982 → 102.000 km
|
Verfasst am : Mo, 1. Aug 2016, 8:30 Titel: |
|
|
| kretabiker @ So, 31. Jul 2016, 9:07 hat folgendes geschrieben: | | Bruggma @ Fr, 29. Jul 2016, 15:36 hat folgendes geschrieben: |
"Ich habe einen Kurzschluss auf der Zuleitung zur Cockpit Sicherung." |
.......... ...wo ist die denn, oder besser gefragt, welche Sicherung im Kastl, was sichert die außerdem noch ab? |
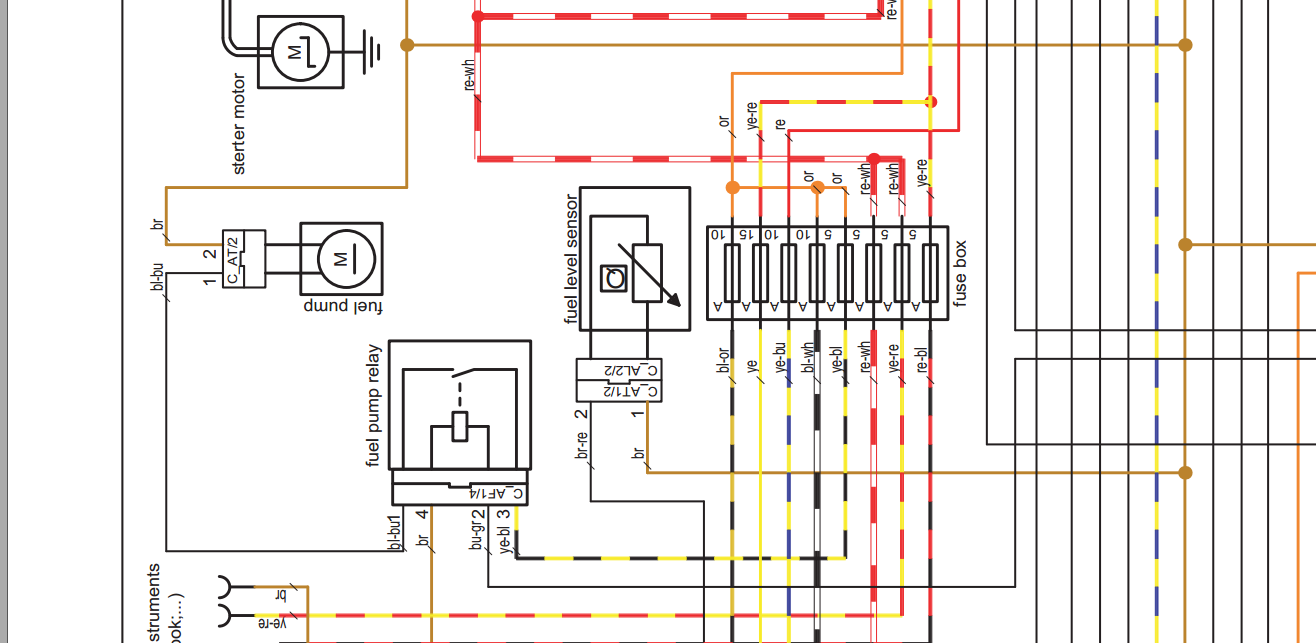
Es ist nicht die Zuleitung, es ist die blau/gelbe Leitung (3. Sicherung von rechts)
Blinker, Horn und beide Bremsschalter muss ich noch prüfen, was bitte ist das
kleine n rechts vom Speed Sensor (Neutral Anzeige?)
| Beschreibung: |
|
 Download |
| Dateiname: |
RA_LC8_D.pdf |
| Dateigröße: |
216.8 KB |
| Heruntergeladen: |
530 mal |
_________________ Peter
www.bbshome.ch |
|
| Nach oben |
|
Bruggma  Sponsor
Anmeldungsdatum: 24.03.2003 Beiträge insgesamt: 7566 Aprilia 660 Tuareg → 7.000 km Honda VF 750 SC 1982 → 102.000 km
|
Verfasst am : Mo, 1. Aug 2016, 10:51 Titel: Problem gelöst |
|
|
Der Auslöser war der Implusgeber der Fussbremse!
Wie kann man nur 6 zusätzliche Verbraucher an der Cockpitsicherung anhängen
Eigentlich hätte ich es wissen müssen, das Teil hatte beim letzten MFK Termin
schon einem Aussetzer . . .
Hauptsache, ich weiss jetzt, dass der ganze Kablebaum OK ist.
_________________ Peter
www.bbshome.ch |
|
| Nach oben |
|
kretabiker  Sponsor Anmeldungsdatum: 01.09.2008 Beiträge insgesamt: 6067
|
Verfasst am : Mo, 1. Aug 2016, 11:18 Titel: Re: Problem gelöst |
|
|
| Bruggma @ Mo, 1. Aug 2016, 10:51 hat folgendes geschrieben: | Der Auslöser war der Implusgeber der Fussbremse!
.............................
Hauptsache, ich weiss jetzt, dass der ganze Kablebaum OK ist. |
...... !
|
|
| Nach oben |
|
|
|